Beschreibung
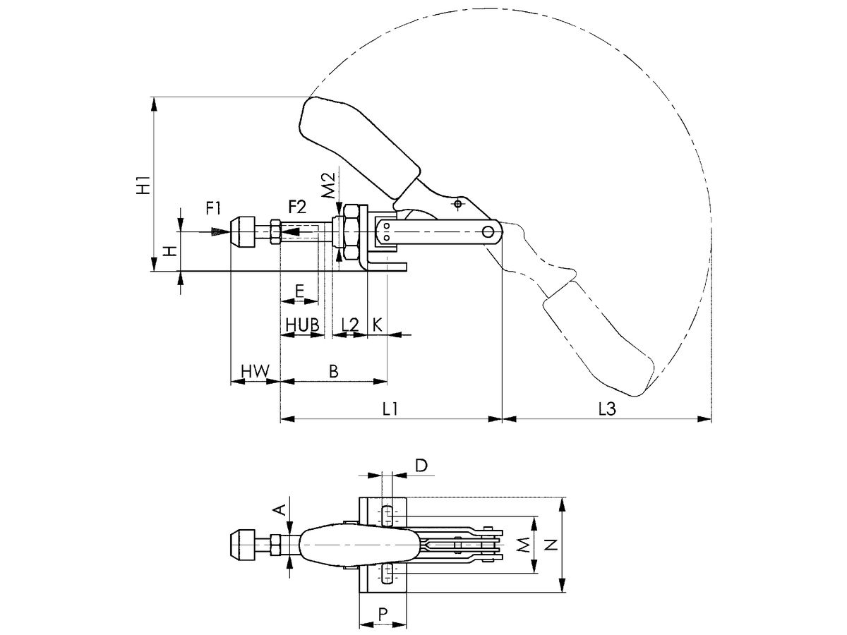
Ausführung: Druck- und Zugspanner mit kleinem Winkelfuß (Schubstange und Handhebel gleichlaufend). Lange Schubstangenführung mit Befestigungsgewinde und Mutter. Verzinkt und passiviert. Hebelteile und Schubstange aus Vergütungsstahl. Die Nieten aus rostfreiem Stahl laufen in einsatzgehärteten Lagerbuchsen, platzbedingt nicht bei den Größen 0, 1 und 5. Die Lagerstellen sind gefettet. Handgriff aus rotem, ölbeständigem Kunststoff.
Bei Größe 0, 2 und 3: Ergonomischer, ölbeständiger Handgriff mit großer Handauflage und weicher Komponente. Handhebel in beliebiger Winkelstellung zur Grundfläche drehbar.
Anwendung:Als Druck- und Zugspanner zu verwenden. Der Spanner kann ohne den Winkelfuß an Blechwänden befestigt werden oder in Vorrichtungskörper mit seinem Gewinde eingeschraubt werden.
Lieferumfang: Komplett mit vergüteter, verzinkter Andrückschraube.
Hinweis: Größe 0 und 3 auch in Ausführung nicht rostender Stahl lieferbar.
Auch in Ausführung nicht rostender Stahl lieferbar
Deutsch
English
Nederlands
