KENNAMETAL MDPNN164D
M DREHKLEMMHALTER W1.00 L6.00
List price
incl. VAT
/ pce
171.96
exkl. MWST
144.50
€
Your price incl. VAT
/ pce
und inkl. Rabatt
158.20
exkl. MWST
132.94
€
Please log in to be able to use the shopping cart and then complete orders.
Log inDescription
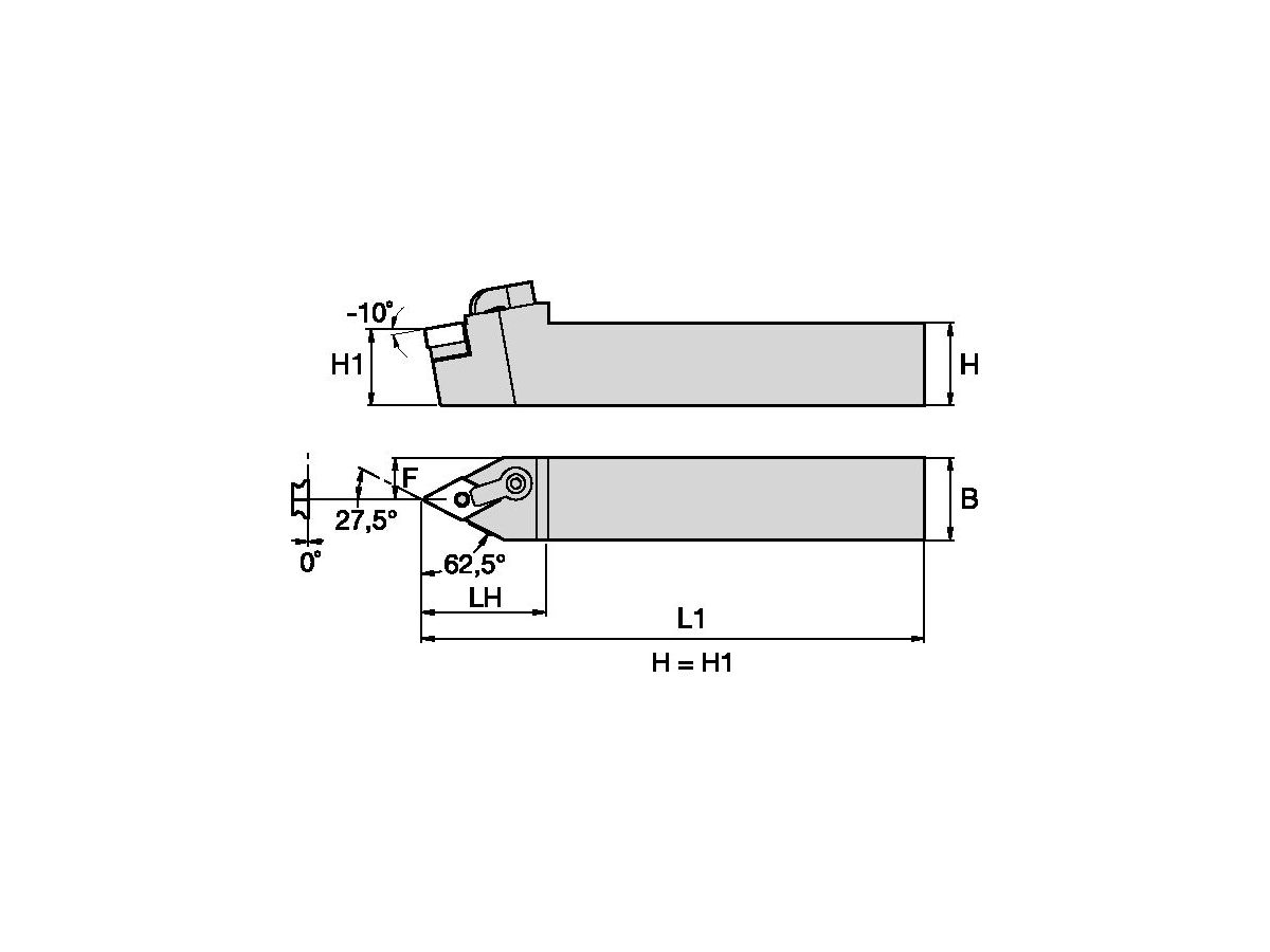
Specifications
| Schafthöhe | 1.0000|in |
|---|---|
| Schaftbreite | 1.0000|in |
| F_Dimension | 0.5000|in |
| Gesamtlänge | 6.0000|in |
| Kopflänge | 1.6300|in |
| Schnitthöhe | 1.00000|in |
| Steigungswinkel ISO | 62.500 |
| Länge l1 | 6.0000|in |
| Material des Schaftes | Steel |
| Klemmtyp | M - Top and Hole Clamping |
| Schaftlänge | 4.3700|in |
English
Deutsch
Nederlands
